Description
Introduction:
CNGA – Negative geometry with strong cutting edge, suitable for stable finishing and semi-finishing operations.
DNGA – 55° diamond insert ideal for precision turning and profile machining.
TNGA – Triangular insert offering balanced edge strength and versatility.
VNGA – 35° diamond insert designed for profiling, contour turning, and high-precision finishing.
CBN HB600 represents a paradigm in superhard polycrystalline cubic boron nitride, meticulously synthesized to optimize intergranular bonding, reduce anisotropic thermal expansion, and maximize fracture toughness for ferrous alloy machining under severe tribological and thermal stress. Its nano-engineered grain boundaries and isotropic lattice orientation confer ultra-low flank wear rates, superior edge retention, and consistent micro-geometry fidelity at extreme cutting velocities. Tailored for aerospace-grade steels, high-chrome die steels, and hardened tool steels, HB600 ensures deterministic performance in precision turning, high-speed milling, and broaching operations where thermal softening and catastrophic chipping are critical concerns.
|
Shape |
Type | Size(mm) | Number of Cutting Edges | ||||
|
Inscribed Circle(IC) |
Thickness | Hole Dia | Nose Radius |
S |
|||
![]() |
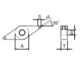
CNGA 120404-4V 120408-4V 120412-4V |
12.70 | 4.76 | 5.16 | 0.4
0.8 1.2 |
2.6
2.6 2.5 |
4 |
![]() |
DNGA 150404-4V 150408-4V 150412-4V |
0.4 0.8 1.2 |
2.6 2.2 1.9 |
||||
![]() |
TNGA 160404-6V
160408-6V 160412-6V |
9.525 | 3.81 | 0.4
0.8 1.2 |
2.7 2.4 2.1 |
6 |
|
![]() |
VNGA 160404-4V
160408-4V |
0.4
0.8 |
2.0
1.8 |
4 |
|||
Recommended Cutting Conditions Table
|
Workpiece Material |
Workpiece Hardness |
Machining Form |
Cutting Conditions |
|||
| Cutting Speed
Vc(m/min) |
Depth of Cut
ap(mm) |
Feed f(mm/rev) |
||||
| High-hardness
Material |
About 55HRC | General Precision Finshing | Continuous~ Interrupted Cutting | 100-150-200 | 0.05-0.3-0.5 |
0.05-0.08-0.1 |

Continuous Light interrupted Interrupted Heavy Interrupted













Reviews
There are no reviews yet.